Уважаемые партнеры и клиенты! Мы продолжаем делиться с вами примерами наших работ и опытом.
В недавно мы закончили реализацию важного проекта, в котором проявили на 100% свои инжиниринговые компетенции.
Объект: ООО “ИЗ-КАРТЭКС имени П.Г. Коробкова”
ООО "ИЗ-КАРТЭКС ИМЕНИ П.Г. КОРОБКОВА" — крупнейший в России производитель экскаваторного оборудования, расположен в Колпино (Санкт-Петербург).
Оставаясь лидером на российском рынке экскаваторного оборудования, ИЗ-КАРТЭКС обеспечивает техникой горнодобывающие компании России и Зарубежья, в том числе в Казахстане, Белоруссии, Узбекистане, Индии, Монголии.


Производство ИЗ-КАРТЭКС


Карьерные экскаваторы производства ИЗ-КАРТЭКС
Перед нами стояла задача модернизации и замены существующих ограждающих конструкций на новые и современные, отвечающие целому ряду критериев.
Нам пришлось с нуля придумывать непростые технологические и строительные решения, чтобы реализовать данный проект. Уровень сложности был таков, что конкуренты «отваливались» из конкурса по мере погружения в сложность и специфику задачи. К слову, тендер по данному объекту переносили или объявляли заново 3 раза, так как никто из участников и сам заказчик не могли определить и провести реализацию проекта со всеми необходимыми условиями и учесть все моменты.
Потребовалось несколько недель кропотливой работы инженерно-технического отдела в связке с коммерческим отделом, чтобы разработать и предложить решение, которое было даже выше ожиданий и требований клиента.
Перечислим основные критерии по исполнению контракта:
1. Строгие сроки по реализации проекта.
На весь проект было отведено 12 недель: 8 на изготовление и поставку, 4 недели на монтаж. При обычном «линейном» подходе это невозможно. Нам пришлось запараллелить процессы производства и логистики; часть эксклюзивного оборудования заказать заблаговременно (еще без заключенного контракта); очень грамотно спланировать работу монтажного отдела.
2. Действующий объект.
Часть проемов является путём следования железнодорожного состава, а другая часть - автотранспорта. Во время монтажных работ регулярно происходило движение транспорта. Нам приходилось полностью останавливать работы и освобождать проёмы.
3. Высокие требования к автоматизации.
Все приводы должны быть определенного технического исполнения и параметров. Например, для автоматизации складчатых ворот нужно было подобрать электрогидравлическую автоматику. В России и Беларуси никто такую не делает, не поставляет и не предлагает. Нам пришлось самостоятельно подобрать европейского производителя приводов, сделать все расчеты и доработки для того, чтобы она гарантированно работала. К слову, данный вид изделий попадает под санкционные ограничения, но мы решили и эту задачу.
4. Применение на объекте строительных нормативов и требований, а также требований в части безопасности работ.
Нами в соответствии с контрактом был разработан детальный проект производства работ (ППР), подтверждены удостоверениями квалификации наших специалистов, а также подготовлена вся необходимая исполнительная документация для ввода объекта в эксплуатацию.
5. Специальные финансовые условия, в том числе с применением банковской гарантии на аванс.
6. Наличие глубокого опыта в строительной сфере и инжиниринге.
Мы были единственным претендентом на конкурсе, кто набрал максимальный балл по этому критерию.
7. Договор уникального формата.
Под этот проект мы разработали абсолютно новую форму договора, учитывающую все важные аспект строительно-монтажных работ, договора стройподряда, а также классического договора поставки и оказания услуг. Это заняло 2 недели на разработку и ещё 2 недели согласование с заказчиком.
Общие особенности
Для проемов с откатными подвесными и складчатыми воротами пришлось сооружать внешние металлические конструкции; демонтировать часть фасадов для того, чтобы конструкцию закрепить; затем заново собирать фасады и производить отделку фасонными элементами.
Подвесные откатные ворота
Первое, что нужно отметить, что это ворота нашего собственного производства. В процессе реализации данного объекта (в самом начале) мы, на всякий случай, получили сертификат соответствия в РФ (подтвердили наш белорусский сертификат).
Касательно дизайна и расположения опции – мы выполнили всё по высшему уровню. Постарались сделать изделия в таком же стиле, как складчатые и секционные. Особенность в том, что все три вида изделия имеют разную панель, тип калитки, окна и т.д. Поэтому нам было необходимо всё сделать максимально в одном стиле. Для этого мы заранее с заказчиком согласовывали конструкторские карты и включили это дополнительным разделом в договор.
Для подвесных откатных ворот была выбрана супер промышленная откатная автоматика Sliding-3000 (это наш первый опыт применения такой автоматики, хотя под такой вес ворот вполне подходила Sliding-1300). Заказчик настаивал, чтобы решение было максимально промышленное и надёжное.
|
SLIDING-1300 |
SLIDING-3000 |
|
|
|
|
МАКСИМАЛЬНАЯ МАССА СТВОРКИ, КГ |
|
|
1300 |
3000 |
|
ПОТРЕБЛЯЕМАЯ МОЩНОСТЬ, ВТ |
|
|
550 |
1200 |
|
ДИАПАЗОН РАБОЧИХ ТЕМПЕРАТУР, °С |
|
|
-30…+55 |
-40…+55 |
|
КЛАСС ЗАЩИТЫ |
|
|
IP54 |
IP44 |
Сравнительная таблица двух видов приводов
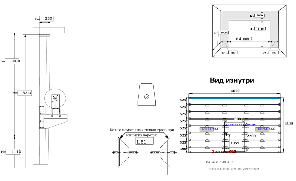
Складчатые ворота
Задача по закрытию проёмов складными воротами была, пожалуй, самой сложной несмотря на то, что данный вид конструкции нам хорошо знаком.
Во-первых, почти все из этих проёмов находились на действующих железнодорожных путях, что потребовало точного расчёта схемы открытия полотен из-за наличия рельс, в зону которых могли попасть элементы ворот при некорректной схеме.
Во-вторых, и в главных, техническим заданием (ТЗ) заказчика, как и в случае подвесных откатных ворот, было предусмотрено управление воротами с помощью высокоинтенсивной и надежной автоматики. Нашим техническим решением стало применение электрогидравлических приводов одного из европейских производителей. Нами была адаптирована и реализована схема установки этой автоматики на конкретный вид конструкции. Пусконаладочные испытания, пусть не с первого раза, но прошли успешно. Складные ворота совместно с набором периферийного оборудования в соответствии с ТЗ введены в эксплуатацию.
Секционные ворота
Установка подъёмно-секционных ворот стала своеобразным лицом нашей работы, так как проёмы находились в зоне расположения административного здания предприятия. Мы успешно подобрали и согласовали с заказчиком дизайн полотен и дополнительное оснащение. Каких-либо затруднений установка не вызвала, но, к сожалению, в ходе работ не обошлось без неприятностей: в одну из ночных смен произошла авария на одной из уже полностью установленных конструкций из-за неаккуратного маневрирования в проёме грузовым автомобилем предприятия. Это происшествие не стало сильным препятствием. Совместно с заказчиком была принята оптимальная и взаимно удобная схема решения этого вопроса, были оперативно заказаны комплектующие и выполнены восстановительные работы.
Мы круто поработали на объекте КАРТЭКС, некоторые аспекты оказались в новинку, но тем ценнее приобретаемый опыт. Заказчик модернизировал основные производственные фонды, установив современные надёжные ворота, мы прокачались и сделали много шагов в развитии — Win-Win, как говорится.
Евгений Анжауров
Технический директор ООО "Техноград Северо-Запад"